Kategorije
Kontaktni podatki
| ELEKTROMEHANIKA STAVBNA DVIGALA "LIFT MONT" MLADINKO JEFTENIĆ S.P. |
| LIMINJAN 6A, |
| 6320 PORTOROŽ - PORTOROSE |
| T: 05 6778770 |
| F: 05 6778771 |
| E: info@lift-mont.si |
| W: http://www.lift-mont.si |
Želite katalog?
V kolikor želite katalog v PDF obliki, nam zaupajte vaše podatke in vam ga bomo poslali na vaš e-pošni naslov.
LM120170
LM120170 - Polirana vodila GM - Spletni katalog
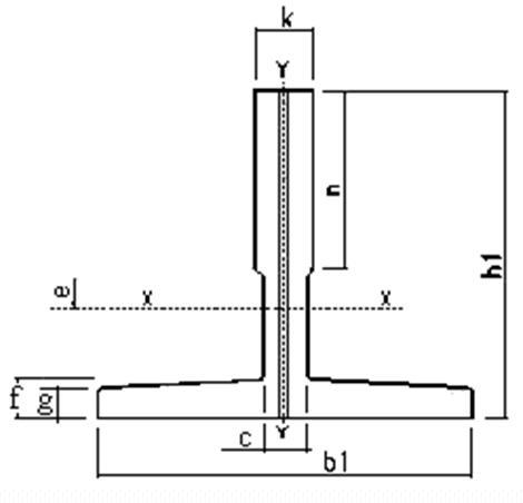
Tip: GM127-3
Dimenzija: 127X89X16
h1= 88,9 ± 0,75 mm
b1 = 127 ± 1,5 mm
k = 15,88 ± 0,1/0 mm
n = 50,80 +3/0 mm
c = 14 mm
f = 15,90 mm
g = 12,7 ± 0,75 mm
Section = 29,56 cm2
Masa = 23,26 kg/m
e = 2,47 cm
lxx = 199,40 cm4
Wxx = 31,05 cm3
ixx = 2,60 cm
lyy = 234,30 cm4
Wyy = 36,90 cm3
iyy = 2,82 cm


