Kategorije
Kontaktni podatki
| ELEKTROMEHANIKA STAVBNA DVIGALA "LIFT MONT" MLADINKO JEFTENIĆ S.P. |
| LIMINJAN 6A, |
| 6320 PORTOROŽ - PORTOROSE |
| T: 05 6778770 |
| F: 05 6778771 |
| E: info@lift-mont.si |
| W: http://www.lift-mont.si |
Želite katalog?
V kolikor želite katalog v PDF obliki, nam zaupajte vaše podatke in vam ga bomo poslali na vaš e-pošni naslov.
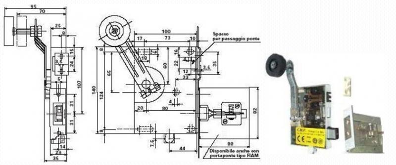
LM530240
LM530240 - Ključavnice za zapiranje ročnih vrat - Spletni katalog
Polavtomatska ključavnica za vrata s krili
Homologirana 95/16 CE


