logo elektromehanika

Slovenija Italia

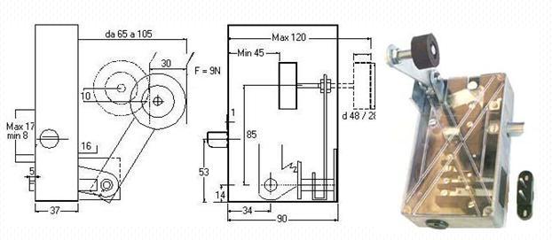
Ključavnice za zapiranje ročnih vrat

To spletno mesto za svoje optimalno delovanje uporablja piškotke. Ali dovolite, da jih naložimo na vaš računalnik?